网站首页
公司简介
新闻动态
产品展示
公司环境
技术解答
联系我们
搜索
即日起推出976系列
时间:2021-10-12 浏览次数:
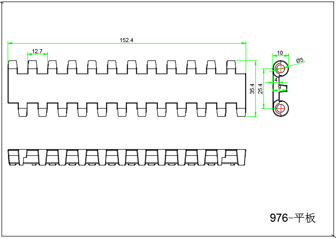
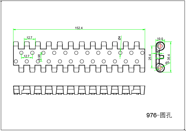
即日起推出976系列,节鉅25.4,厚度10,有平板、圆孔、突点、挡板、裙边,拉力14650牛/米,宽度12.7的整倍数,欢迎新老客户咨询惠顾[抱拳][抱拳][抱拳]
即日起推出976系列,节鉅25.4,厚度10,有平板、圆孔、突点、挡板、裙边,拉力14650牛/米,宽度12.7的整倍数,欢迎新老客户咨询惠顾[抱拳][抱拳][抱拳]
上一篇:
庆祖国70华诞
下一篇:
食品接触用(模块输送带)产品符合性声明
5997系列
5997突肋
5997平格
5997齿轮
5997梳子板
4809系列
4809突肋
4809齿轮
4809梳子板
OPB系列
OPB平板
OPB平格
OPB圆孔
OPB大孔
OPB平格加筋
OPB挡板
OPB裙边高50
OPB裙边高100
OPB裙边高150
OPB齿轮
956系列
956平板
956平格
956圆孔
956挡板
956齿轮
400系列
400突肋网带
400齿轮
400平格
分体式滚珠
分体式滚珠横向
分体式滚珠纵向
分体式滚珠齿轮
蓄电池网带
蓄电池网带
蓄电池齿轮
300转弯系列
300转弯网带
300齿轮
4802网带
4802网带
936突点
936突点网带
936平格网带
936齿轮
900系列
900平板
900平格
900圆孔
900突肋
900挡板
900齿轮
900梳子板
1000系列
1000平板
1000平格
1000挡板
1000齿轮
1000带限位
7705系列
7705平板
7705齿轮
966系列
966平板
966平格
966突肋
966梳子板
976系列
976平板
976圆孔
976突点
976挡板
976裙边
976齿轮
986系列
986平板
986平格
986挡板
7100转弯系列
7100转弯网带
7100齿轮
2400转弯系列
2400转弯网带
916转弯系列
916大转弯
916齿轮
5935系列
5935平板
5935平格
5935圆孔
5935挡板
5935齿轮
5935裙边
1100系列
1100平板
1100平格
1100齿轮
926系列
926平板
926平格
926齿轮
880转弯链板
152.4转弯链板
114.3转弯链板
82.6转弯链板
882转弯链板
152.4重型转弯链板
820直行链板
152.4直行
114.3直行
114.3凸台
82.6直行
63.5凸台
820链板主动轮
820链板被动轮
螺旋链板
螺旋链板
小链板
40P小链板
50P小链板
60P小链板
齿轮内镶圆孔
60圆孔内镶件
50圆孔内镶件
40圆孔内镶件
30圆孔内镶件
回路轮
回路轮中间块
回路轮边块
尼龙配件
弧形接头
双接头
固定轴套
压轮
单接头
耐磨条
耐磨条(导条、垫轨)
串条
串条